东北娘们国语版免费播放,V0L29韩国演艺圈事件回顾,小王祖贤返场 文轩视频

周经理

15358084488

万能粉碎机

  • 万能粉碎机 万能粉碎机
万能粉碎机
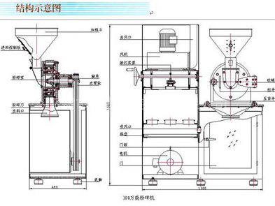
产品特点:本机适用于制药、化工、食品等行业,是粉碎与吸尘为一体的粉碎设备。 0B粉碎设备-B型万能粉碎机组的详细资料:B型系列万能粉碎机组工作原理:本机利用活动齿盘和固定齿盘间的相对运动,使被粉碎物经齿冲击、摩擦及物料彼此间冲击而获得粉碎。


产品详情


产品特点
       本机适用于制药、化工、食品等行业,是粉碎与吸尘为一体的粉碎设备。

0B粉碎设备-B型万能粉碎机组的详细资料
B型系列万能粉碎机组
       工作原理:本机利用活动齿盘和固定齿盘间的相对运动,使被粉碎物经齿冲击、摩擦及物料彼此间冲击而获得粉碎。粉碎好的物料经旋转离心力的作用,自动进入捕集袋,粉尘由吸尘箱经布袋过滤回收。整机按标准设计,用不锈钢材料制造,生产过程中无粉尘飞扬,且能提高物料的利用率,降低企业成本。

结构示意图

相关产品

15358084488
主站蜘蛛池模板: 肃南| 开鲁县| 大港区| 绥阳县| 新龙县| 凌云县| 托克逊县| 洛宁县| 航空| 新竹市| 岑溪市| 荔浦县| 孝感市| 玉门市| 葵青区| 梁山县| 嘉黎县| 兴业县| 商洛市| 库车县| 诸暨市| 炎陵县| 长宁县| 随州市| 苍南县| 汕尾市| 土默特右旗| 安化县| 滦南县| 南昌县| 荃湾区| 大丰市| 枣阳市| 宁南县| 麻江县| 博白县| 永泰县| 沈丘县| 丰顺县| 繁峙县| 乌审旗|